专干老熟女视频在线观看,免费高清理伦片A片在线观看 ,国产高潮刺激叫喊视频,国产熟妇BBWBBWBBW歼尸

廣州南創(chuàng)廠家供稱重傳感器、壓力傳感器和位移等傳感器
全國統(tǒng)一服務熱線 020-82303306
在線客服

主營世界傳感器品牌、品種齊全。中國的,世界的工業(yè)備品備件分銷商。

優(yōu)勢一:廣州南創(chuàng)是一家大型傳感器、儀器儀表、工業(yè)備品備件供應商!中國傳感器聯合會誠信“AAA”級成員,多家世界知名傳感企業(yè)中國市場開拓核心合作伙伴;

優(yōu)勢二:完善的全國銷售服務網絡:12個區(qū)域辦事處、20個分公司、遍布全國的售后服務網點,為您及時便捷實現上門無憂售后服務;

優(yōu)勢三:為國內多家知名大中型工業(yè)企業(yè)、航天工業(yè)企業(yè)提供國際工業(yè)自動化控制檢測設備及工業(yè)稱重系統(tǒng)和傳感器設備儀表,緊密依托中科院及清華大學的技術支持合作交流。技術、產品可靠值得信賴;

優(yōu)勢四:鄭重承諾:三個月內產品有質量問題無條件退換貨;

優(yōu)勢五:資深工程師為您提供全方位完善的一條龍銷售服務指導,售前專業(yè)方案設計、產品選型指導,售中安裝調試,售后三年上門免費跟蹤維修服務;

優(yōu)勢六:全國優(yōu)勢價格支持銷售,凡在我們公司購買產品,如果同類產品高于主流市場價格,我們雙倍補還差價,性價比高!

優(yōu)勢七:我公司在國外設有7個境外專業(yè)采購中心,保證原裝進口,貨期快捷,價格具有優(yōu)勢,可靠、放心

優(yōu)勢八:我公司代理經銷169個品牌,全國同類產品系列全、品種多、多家知名企業(yè)中國合作伙伴代理。

擁有全國八千多家固定合作客戶
  • 杭州橡膠集團有限公司
  • 華潤水泥控股有限公司
  • 上海寶鋼集團公司
  • 新希望集團控股有限公司
  • 洛陽浮法玻璃集團有限責任公司
  • 河南恒大化工有限公司
  • 玖龍紙業(yè)控股有限公司
  • 神華煤炭集團
  • 哈藥集團醫(yī)藥有限公司
  • 三一重工
  • 鞍山鋼鐵集團公司
  • 道達爾石化中國有限公司
  • 中國石油化工股份有限公司
  • 廣州藍月亮實業(yè)有限公司
  • 比亞迪股份有限公司
  • 合作企業(yè)太多,只列舉部分企業(yè)…
首頁 > NTS

PCL-50KPa壓力傳感器 日本NTS

日本NTS壓力傳感器PCL-50KPa更多產品詳細資料請點擊:日本NTS壓力傳感器,進入頁面可查找NTS傳感器型號、NTS壓力傳感器參數選型資料,以及日本NTS壓力傳感器具體安裝技術指導信息。ieV廣州南創(chuàng)電子科技有限公司
產品名稱:日本NTS壓力傳感器PCL-50KPaieV廣州南創(chuàng)電子科技有限公司
產品品牌:日本NTSieV廣州南創(chuàng)電子科技有限公司
產品價格:電話咨詢報價(020-82303306)ieV廣州南創(chuàng)電子科技有限公司
產品系列:PCL壓力傳感器ieV廣州南創(chuàng)電子科技有限公司
產品型號:多型號壓力傳感器ieV廣州南創(chuàng)電子科技有限公司
ieV廣州南創(chuàng)電子科技有限公司
購買日本NTS壓力傳感器請務必認準【廣州★南創(chuàng)】銷售商官網,全國服務電話:020-82303306,我們鄭重承諾:“三個月內不滿意隨時無條件退換貨,退還全部貨款,不收任何費用,質保兩年,提供終身免費維護!”ieV廣州南創(chuàng)電子科技有限公司
PCL壓力傳感器ieV廣州南創(chuàng)電子科技有限公司
日本NTS壓力傳感器PCL-50KPa特點:ieV廣州南創(chuàng)電子科技有限公司
高穩(wěn)定性地測量低壓場ieV廣州南創(chuàng)電子科技有限公司
具有廣泛的用途,如壓力計更換、動態(tài)微壓變化、泄漏測試儀ieV廣州南創(chuàng)電子科技有限公司
ieV廣州南創(chuàng)電子科技有限公司
日本NTS壓力傳感器PCL-50KPa 技術參數圖:ieV廣州南創(chuàng)電子科技有限公司
PCL-50KPaieV廣州南創(chuàng)電子科技有限公司
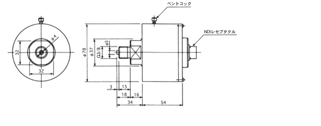
NTS傳感器PCL-50KPa尺寸圖:ieV廣州南創(chuàng)電子科技有限公司
PCL-50KPaieV廣州南創(chuàng)電子科技有限公司
日本NTS壓力傳感器系列量程:ieV廣州南創(chuàng)電子科技有限公司
日本NTS壓力傳感器PCL-50KPaieV廣州南創(chuàng)電子科技有限公司
ieV廣州南創(chuàng)電子科技有限公司
日本NTS傳感器PCL-50KPa 知識拓展:ieV廣州南創(chuàng)電子科技有限公司
日本NTS壓力傳感器PCL-50KPa額定容量50kPa,額定輸出1.5mV/V±1%,非線性0.5%RO,滯后0.5%RO,推薦施加電壓5V,容許施加電壓10V,輸入/輸出電阻350Ω±1%,溫度補償范圍-10~+60℃,允許過載120%RC,電纜φ6、4芯屏蔽電纜包括3m,質量約2.0kg,注)從低溫恢復到室溫時,請確保儀器上沒有水滴。ieV廣州南創(chuàng)電子科技有限公司
ieV廣州南創(chuàng)電子科技有限公司
日本NTS壓力傳感器PCL-50KPa擴散硅壓力變送器是把帶隔離的硅壓阻式壓力敏感元件封裝于不銹鋼殼體內制作而成。它能將感受到的液體或氣體壓力轉換成標準的電信號對外輸出,DATA-52系列擴散硅壓力變送器廣泛應用于供/排水、熱力、石油、化工、冶金等工業(yè)過程現場測量和控制。半導體壓電阻抗擴散壓力傳感器是在薄片表面形成半導體變形壓力,通過外力(壓力)使薄片變形而產生壓電阻抗效果,從而使阻抗的變化轉換成電信號。靜電容量型壓力傳感器,是將玻璃的固定極和硅的可動極相對而形成電容,將通過外力(壓力)使可動極變形所產生的靜電容量的變化轉換成電氣信號。 (E8Y的動作原理便是靜電容量方式,其他機種采用半導體方式)。ieV廣州南創(chuàng)電子科技有限公司
ieV廣州南創(chuàng)電子科技有限公司
品牌相關系列推薦如下:ieV廣州南創(chuàng)電子科技有限公司
PCV-S壓力傳感器ieV廣州南創(chuàng)電子科技有限公司
PCW壓力傳感器ieV廣州南創(chuàng)電子科技有限公司
自動配料系統(tǒng)ieV廣州南創(chuàng)電子科技有限公司
自動化稱重配料控制系統(tǒng)ieV廣州南創(chuàng)電子科技有限公司
ieV廣州南創(chuàng)電子科技有限公司
以上是日本NTS力矩傳感器產品相關銷售商官網、NTS壓力傳感器廠家電話、NTS傳感器型號類別技術參數選型安裝等資料信息,如果有關NTS壓力傳感器PCL-50KPa 產品其他相關方面需要,可直接電話聯系相關負責工程師咨詢020-82303306。ieV廣州南創(chuàng)電子科技有限公司
ieV廣州南創(chuàng)電子科技有限公司
【廣州★南創(chuàng)】:賣日本nts PCL-50KPa壓力傳感器【銷售商】價格好:¥320元、打電話:020-82303306可了解日本nts傳感器中國官網、廠家及NTS壓力傳感器產品報價日本NTS PCL-50KPa壓力傳感器等信息。

本站內容未經許可禁止復制轉載!©2002 廣州南創(chuàng)電子科技有限公司

聯系電話:020-82303306 公司傳真:020-82303511下班及雙休日請撥打各品牌負責人電話電話詳情

備案號: 粵ICP備11086172號-1

經營性網站備案信息 安全網絡中心 信息中心